Na našich webových stránkach používame súbory cookies. Niektoré z nich sú nevyhnutné, zatiaľ čo iné nám pomáhajú vylepšiť tento web a váš užívateľský zážitok. Súhlasíte s používaním všetkých cookies?
Vaše súkromie je dôležité. Môžete si vybrať nastavenia cookies nižšie.
Výkres hydraulického motora TM02, LTM02, 0183
Výkres hydraulického motora TM03, LTM03, 0976
Výkres hydraulického motora TM03A, LTM03A, 0179
Výkres hydraulického motora TM03CJ, LTM03CJ, 0199
Výkres hydraulického motora TM04I, LTM04I, TM04F
Výkres hydraulického motora TM06K, TM06F, 0214, 706303, MAG33VP
Výkres hydraulického motora LTM06NK, TM06H, 0203, FDTB145
Výkres hydraulického motora TM09, LTM09C, 0977, FDTB175
Výkres hydraulického motora TM09VC, FDHR32
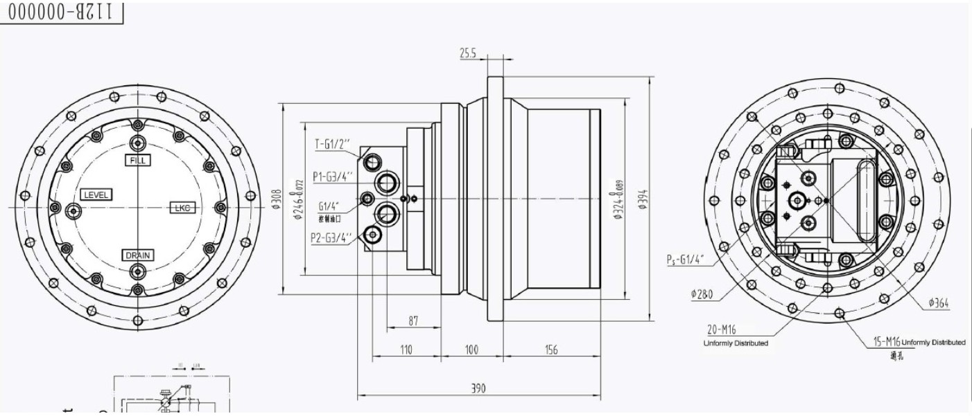
Výkres hydraulického motora TM18B, DX140
Výkres hydraulického motora TM22C, LTM22C, MAG85
Výkres hydraulického motora TM40, LTM40VCA, LTM40A
Použite prázdny výkres, vyplňte ho a pošlite na našu e-mailovú adresu: info@probagr.com